發新話題
打印

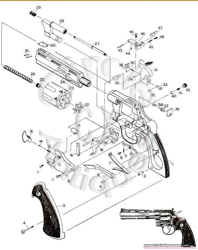
[同場加映M19]25年老槍翻修。。無耐之鎚仔DIY試作

引用:
原帖由 ranger_hk 於 22-8-2013 14:07 發表

C兄佩服,佩服真係睇到啞晒
Thanks 師兄

TOP

引用:
原帖由 sovietarmy2012 於 22-8-2013 14:10 發表
錫番 un o古o古

我支"派房"有番生lu
你枝金屬pyhon又係壞架????

TOP

熱切期待 s&w. m19 bluing finish. :-D
Cheers! :-D

TOP

引用:
原帖由 kirk123 於 22-8-2013 15:58 發表
熱切期待 s&w. m19 bluing finish. :-D
Cheers! :-D
M19 未必blue。。。有機會全銀色。。。到時至算

TOP

引用:
原帖由 tango1997 於 22-8-2013 15:08 發表

你枝金屬pyhon又係壞架????
lock瓜吾實姐

TOP

引用:
原帖由 sovietarmy2012 於 22-8-2013 16:47 發表

lock瓜吾實姐
會唔會係個cylinder bolt stop 條 spring 唔夠行呀

TOP

唔會 耗損了一些

TOP

引用:
原帖由 tango1997 於 22-8-2013 16:45 發表

M19 未必blue。。。有機會全銀色。。。到時至算
唔 blue 会变深灰色架!因为是亞鉛合金.
否则常要定期拋光! :-)
Have a good evening! :-)

TOP

引用:
原帖由 kirk123 於 22-8-2013 17:49 發表


唔 blue 会变深灰色架!因为是亞鉛合金.
否则常要定期拋光! :-)
Have a good evening! :-)
呢樣我明。。。。變啞灰色

其實我試緊另一樣野

[ 本帖最後由 tango1997 於 22-8-2013 18:04 編輯 ]

TOP

去買一種清漆 ...
有 d blue完會上呢隻油
例如東德d ak 件應該blue完上左呢隻清漆

咁就可以keep住全銀
上次孫教授畀過條link我睇

TOP

蘇師傅 啟:
明天23/08/2013晚上,請帶上6號,10號及16號零部件給我,謝謝。   

Tomorrow 23/08/2013 night, bring on the 6th, the 10th and the 16th parts to me, thank you.            

23/08/2013 Завтра ночью, принести на 6-й, 10-й и 16-й части мне, спасибо   

23/08/2013 Завтра вночі, принести на 6-й, 10-й і 16-ї частини мені, спасибо     

明天23/08/2013晚上,把在第6,第10和第16部分带给我,谢谢           

Jutro 23/08/2013 noc, wprowadzają na 6, 10 i 16 części do mnie, dziękuję   

Morgen 23.08.2013 Nacht am 6. bringen, die 10. und die 16. Teile fur mich, danke

明日23/08/2013夜、私には6日、10日と16日の部分に持って、ありがとうございました


[ 本帖最後由 tango1997 於 22-8-2013 20:56 編輯 ]

附件

SC20130822-181351-1.jpg (126.3 KB)

22-8-2013 20:52

SC20130822-181351-1.jpg

TOP

6號,10號你咪有囉

6号,10号你咪有囉

6號,10號伱咪冇囉

6號,10號亻尔咪姷囉

6҉號҉,҉1҉0҉號҉你҉咪҉有҉囉҉

TOP

引用:
原帖由 sovietarmy2012 於 22-8-2013 20:59 發表
6號,10號你咪有囉

6号,10号你咪有囉

6號,10號伱咪冇囉

6號,10號亻尔咪姷囉

6҉號҉,҉1҉0҉號҉你҉咪҉有҉囉 ...
I need.... KOKUSAI COLT PYTHON .357 DOUBLE ACTION REVOLVER MODEL CAP GUN (MATEL VERSION)既三件parts
......you know that??? ...not A.B.S...type...SSSSSSS!

[ 本帖最後由 tango1997 於 23-8-2013 22:49 編輯 ]

TOP

你令香港wargame界覺得我係失明人士

TOP

好靓

[ 本帖最後由 leon08 於 23-8-2013 22:42 編輯 ]

TOP

發新話題